gartengeraete_onlineshop_de Logo
Unsere Seite verwendet Cookies und ähnliche Technologien, um die Benutzererfahrung auf unserer Website zu verbessern, Inhalte und Anzeigen zu personalisieren und die Nutzung unserer Website zu analysieren. Mit Ihrer Einwilligung stimmen Sie der Verwendung von Cookies sowie der Verarbeitung Ihrer persönlichen Daten zu, um Ihnen ein bestmögliches Surferlebnis und mehr Funktionen zu bieten.

Sie können Ihre Einwilligung jederzeit in den Cookie-Einstellungen anpassen oder widerrufen.
Experten-Beratung Lassen Sie sich von unseren Experten über das Kontaktformular beraten.
Artikelnummer: 4329312
Hier können Sie unsere qualifizierten Fachberater zur Planung Ihrer Bestellung kontaktieren.
Zum Kontaktformular
Hier erhalten Sie allgemeine Informationen zum Bestellprozess, der Lieferung, der Zahlung und mehr.
Zum FAQ
Hier können Sie Feedback zu dieser Seite abgeben oder unerwartete Inhalte und Auffälligkeiten melden.

Husqvarna Gartentraktoren LGT2554, 96043006101, 2009-09

Husqvarna Gartentraktoren LGT2554, 96043006101, 2009-09

Nicht lieferbar
Dieser Artikel ist leider nicht mehr zu bestellen. Wir empfehlen Ihnen eine alternative Artikelwahl aus dieser Kategorie. Wir wünschen Ihnen viel Spaß beim Stöbern.
Andere Produkte der Kategorie Ersatzteile
Artikel-Nr.: 4329312
  • Deutschlands bester Händler
  • Trusted Shops Käuferschutz
  • Rechnungskauf
  • Montageservice

Husqvarna Logo

Husqvarna

Der schwedische Hersteller Husqvarna bietet Ihnen Motorgeräte für die Forst-, Garten- sowie Landschaftspflege. Bereits 1689 begann die Unternehmensgeschichte, damals noch mit der Herstellung von Musketen. Somit profitiert das Unternehmen von mehr als 325 Jahre langer Erfahrung – und somit auch seine Kunden.

Die Zufriedenheit der Kunden ist dem international bekannten Unternehmen besonders wichtig. Daher arbeitet Husqvarna eng mit dem Anwender zusammen, auch nach dem Kauf steht das Unternehmen seinen Käufern mit Rat und Tat zur Seite. Sie können sich bei den Husqvarna Produkten daher auf eine kompromisslose Qualität, Benutzerfreundlichkeit sowie Spitzenleistung verlassen.
 

Garantie

Als unser Kunde genießen Sie auch nach dem Kauf Ihres Husqvarna-Produkts zahlreiche Vorteile! Im Garantiefall sind wir Ihr erster Ansprechpartner und werden Ihnen gerne weiterhelfen. Wir verfügen über eine eigene Hersteller-Werkstatt, sind qualifiziert und berechtigt, im Garantiefall alle nötigen Reparaturen an Ihrem Husqvarna-Gerät durchzuführen.

Das bedeutet für Sie: Sie können sich jederzeit an uns wenden, als Ihr Händler bei dem Sie die Ware gekauft haben sind wir stets die erste Adresse. Selbstverständlich steht es Ihnen jedoch frei, sich an jeden anderen autorisierten Husqvarna-Händler zu wenden.

Gegen Vorlegen Ihres Kaufbeleges (inklusive ausgefüllter Garantiekarte) aus unserem Shop können Sie wohnortnah - in ganz Europa, in der Schweiz und in Großbritannien - Ihr registriertes Produkt zur Garantieüberprüfung vorlegen. Der lokale Husqvarna Servicehändler wird im Garantiefall defekte Teile ausschließlich durch original Husqvarna-Ersatzteile und Zubehör ersetzen. 

 

Husqvarna Händler mit Onlineshop 

Ausschließlich autorisierte, qualifizierte Händler dürfen Husqvarna Produkte verkaufen. So erhalten Sie als Kunde fachgerechte Auskunft zu Ihren Fragen. Wir sind ein autorisierter Husqvarna Fachhändler mit eigener Werkstatt. Vor jeder Auslieferung werden die Geräte entsprechend der Herstellervorgaben geprüft.

 

Stationärer Handel:
Kömpf Baumarkt GmbH
Leibnizstr. 2
75365 Calw

 

Husqvarna Geräte

Husqvarna AB
Regeringsgatan 28
11153 Stockholm
Schweden
verkauf@husqvarna.de
Verantwortliche Person:
Husqvarna Deutschland GmbH
Hans-Lorenser-Strasse 40
89079 Ulm
Deutschland
verkauf@husqvarna.de

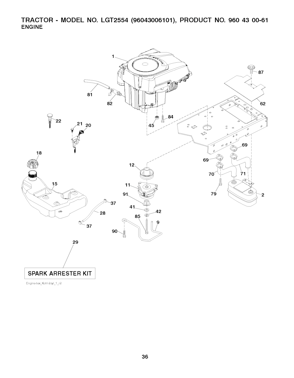
139 von insgesamt 139 eingezeichneten Ersatzteilen in Explosionszeichnung Nr. 1

1
Husqvarna 532 40 17-70 - FUSSSSTUETZE RECHTS
1x
9,12 €
1
Husqvarna 532 05 91-92 - Hut
1x
4,90 €
2
Husqvarna 532 06 51-39 - Nippel
1x
4,91 €
2
Husqvarna 874 76 04-12 - SCHRAUBE
1x
1,70 €
2
Husqvarna 532 18 01-66 - BEFESTIGUNG
1x
18,87 €
2
Husqvarna 532 42 20-27 - WELLE
1x
111,40 €
3
Husqvarna 532 14 06-75 - STREIFEN
1x
6,41 €
3
Husqvarna 532 19 52-30 - HEBEL
1x
30,00 €
5
Husqvarna 532 40 68-59 - SCHALTBRETT
1x
132,49 €
7
Husqvarna 532 12 17-48 - SCHEIBE
1x
4,00 €
7
Husqvarna 532 41 15-55 - GRIFF
1x
9,25 €
8
Husqvarna 812 00 00-29 - FEDERRING
1x
0,61 €
8
Husqvarna 532 17 18-77 - Bolzen
1x
3,34 €
8
Husqvarna 532 19 30-03 - SCHRAUBE
1x
12,01 €
9
Husqvarna 532 12 12-32 - KAPSEL
1x
3,89 €
10
Husqvarna 532 19 63-14 - FEDER
1x
3,95 €
12
Husqvarna 532 40 48-51 - GESTAENGE
1x
18,17 €
13
Husqvarna 532 12 17-49 - SCHEIBE
1x
2,57 €
14
Husqvarna 532 18 72-81 - LAGERGEHÄUSE
1x
144,48 €
15
Husqvarna 532 19 34-99 - KRAFTSTOFFTANK
1x
77,24 €
15
Husqvarna 532 11 04-85 - LAGER
1x
7,65 €
16
Husqvarna 532 42 47-89 - AUFKLEBER
1x
47,76 €
16
Husqvarna 532 17 61-38 - SCHALTER
1x
15,52 €
17
Husqvarna 532 41 36-78 - SRPING.BRAKE.K46.GREEN*SUBS/2*
1x
8,63 €
18
Husqvarna 872 14 05-05 - BOLZEN
1x
2,90 €
19
Husqvarna 532 19 47-29 - PLATTE
1x
56,00 €
19
Husqvarna 532 19 42-08 - STIFT
1x
1,21 €
21
Husqvarna 532 41 63-58 - SCHRAUBE
1x
4,90 €
22
Husqvarna 532 00 41-52 - LAMPE
1x
3,96 €
24
Husqvarna 532 10 53-04 - RADKAPPE
1x
2,77 €
26
Husqvarna 532 17 51-58 - Sicherung
1x
3,83 €
26
Husqvarna 532 11 04-52 - MUTTER
1x
4,90 €
28
Husqvarna 817 00 06-12 - SCHRAUBE
1x
3,89 €
29
Husqvarna 532 40 15-45 - SCHALTER
1x
18,29 €
29
Husqvarna 532 40 38-06 - STANGE
1x
17,59 €
29
Husqvarna 532 13 71-80 - FUNKEN FÄNGER
1x
37,94 €
29
Husqvarna 595 29 70-01 - WELLE
1x
7,40 €
30
Husqvarna 532 19 33-50 - Zündschloss
1x
27,47 €
31
Husqvarna 532 18 76-90 - SCHEIBE
1x
2,77 €
33
Husqvarna Zündschlüssel Gartentraktor
1x
9,67 €
33
Husqvarna 812 00 00-01 - FEDERRING
1x
4,90 €
33
Husqvarna 596 13 48-01 - MUTTER
1x
4,90 €
34
Husqvarna 532 11 07-12 - SCHALTER
1x
12,90 €
35
Husqvarna 532 19 47-32 - PLATTE
1x
56,01 €
37
Husqvarna 532 12 34-87 - KLEMME
1x
4,90 €
37
Husqvarna 873 80 05-00 - MUTTER
1x
1,82 €
40
Husqvarna 532 19 76-61 - GRIFF
1x
10,89 €
41
Husqvarna 817 72 04-08 - SCHRAUBE
1x
1,67 €
41
Husqvarna 532 12 61-97 - SCHEIBE
1x
9,75 €
41
Husqvarna 532 19 82-00 - FEDER
1x
2,36 €
45
Husqvarna 819 18 38-12 - SCHEIBE
1x
11,14 €
46
Husqvarna 532 13 77-29 - SCHRAUBE
1x
1,94 €
49
Husqvarna 872 11 06-14 - SCHRAUBE 3/8-16X1-3/4 GR.5
1x
4,66 €
50
Husqvarna 532 19 43-27 - RIEMENSCHEIBE
1x
39,87 €
50
Husqvarna 872 11 06-16 - BOLZEN
1x
4,69 €
52
Husqvarna 532 19 43-26 - RIEMENSCHEIBE
1x
39,46 €
53
Husqvarna 532 18 89-67 - SCHEIBE
1x
3,95 €
58
Husqvarna 532 19 47-47 - BOLZEN
1x
9,97 €
59
Husqvarna 532 19 47-48 - SCHEIBE
1x
3,76 €
61
Husqvarna 532 19 47-40 - GELENK
1x
58,69 €
62
Husqvarna 532 19 47-41 - GELENK
1x
58,67 €
64
Husqvarna 532 19 62-00 - WELLE
1x
88,90 €
64
Husqvarna 532 19 98-49 - FEDER
1x
2,67 €
66
Husqvarna 871 02 07-48 - SCHRAUBE
1x
6,19 €
68
Husqvarna 817 49 05-08 - SCHRAUBE
1x
2,90 €
68
Husqvarna 873 90 07-00 - MUTTER
1x
3,38 €
69
Husqvarna 532 19 91-62 - SCHEIBE
1x
6,27 €
71
Husqvarna 532 19 42-76 - KABELSATZ
1x
24,66 €
73
Husqvarna 874 49 05-60 - BOLZEN
1x
5,46 €
74
Husqvarna 532 14 24-32 - SCHRAUBE
1x
4,90 €
79
Husqvarna 532 17 52-42 - HALTER
1x
4,57 €
81
Husqvarna 532 14 84-56 - ROHR
1x
9,54 €
82
Husqvarna 532 42 82-87 - STOPFEN
1x
11,50 €
84
Husqvarna 817 12 06-16 - SCHRAUBE
1x
3,52 €
87
Husqvarna 532 19 42-09 - FEDER
1x
3,46 €
89
Husqvarna 819 19 19-12 - SCHEIBE
1x
3,56 €
90
Husqvarna 817 00 06-16 - SCHRAUBE
1x
4,26 €
90
Husqvarna 532 19 42-08 - STIFT
1x
1,21 €
91
Husqvarna 532 18 74-95 - BUSHING
1x
6,68 €
91
Husqvarna 532 40 34-07 - GELENK
1x
19,90 €
92
Husqvarna 532 19 66-15 - KABELSATZ
1x
9,07 €
93
Husqvarna 532 19 25-40 - SCHRAUBE
1x
2,62 €
94
Husqvarna 532 19 18-34 - MODUL
1x
17,70 €
97
Husqvarna 817 00 06-12 - SCHRAUBE
1x
3,89 €
97
Husqvarna 532 17 85-15 - SCHEIBE
1x
5,74 €
99
Husqvarna 817 67 04-12 - SCHRAUBE
1x
3,55 €
100
Husqvarna 819 09 14-16 - SCHEIBE
1x
2,09 €
116
Husqvarna 873 90 05-00 - MUTTER
1x
1,80 €
116
Husqvarna 532 19 34-06 - BOLZEN
1x
4,02 €
130
Husqvarna 532 41 63-58 - SCHRAUBE
1x
4,90 €
137
Husqvarna 532 40 75-90 - GUMMI
1x
4,70 €
143
Husqvarna 817 49 05-08 - SCHRAUBE
1x
2,90 €
150
Husqvarna 532 19 85-12 - BEFESTIGUNG
1x
36,21 €
152
Husqvarna 532 19 95-35 - ABDECKUNG
1x
33,96 €
161
Husqvarna 532 10 57-09 - FEDER
1x
12,74 €
162
Husqvarna 532 14 24-32 - SCHRAUBE
1x
4,90 €
165
Husqvarna 532 19 68-26 - HALTER
1x
13,29 €
167
Husqvarna 532 40 52-57 - BREMSSTUECK
1x
4,06 €
170
Husqvarna 532 41 34-30 - RIEMENFÜHRUNG
1x
6,45 €
174
Husqvarna 532 19 72-89 - MUTTER
1x
4,90 €
176
Husqvarna 532 40 07-76 - SCHRAUBE
1x
4,90 €
176
Husqvarna 532 19 62-14 - ARM
1x
9,34 €
177
Husqvarna 532 19 52-27 - BUSHING
1x
9,62 €
178
Husqvarna 532 19 74-56 - FEDER
1x
4,09 €
182
Husqvarna 532 40 68-59 - SCHALTBRETT
1x
132,49 €
184
Husqvarna 873 90 05-00 - MUTTER
1x
1,80 €
185
Husqvarna 872 11 06-22 - BOLZEN
1x
5,31 €
185
Husqvarna 873 90 07-00 - MUTTER
1x
3,38 €
186
Husqvarna 532 19 43-21 - ABSTANDSSTÜCK
1x
10,59 €
187
Husqvarna 532 19 51-61 - BOLZEN
1x
7,88 €
189
Husqvarna 532 19 43-17 - PLATTE
1x
10,36 €
189
Husqvarna 532 19 51-85 - ARM
1x
23,18 €
190
Husqvarna 532 19 43-18 - RIEMENFÜHRUNG
1x
6,31 €
190
Husqvarna 532 19 65-39 - BOLZEN
1x
4,83 €
192
Husqvarna 532 19 84-68 - RIEMENFÜHRUNG
1x
7,44 €
194
Husqvarna 873 90 05-00 - MUTTER
1x
1,80 €
196
Husqvarna 817 00 06-16 - SCHRAUBE
1x
4,26 €
199
Husqvarna 532 19 82-59 - PLATTE
1x
21,29 €
205
Husqvarna 532 12 17-48 - SCHEIBE
1x
4,00 €
211
Husqvarna 532 19 62-12 - BUCHSE
1x
7,87 €
214
Husqvarna 532 19 91-45 - Klammer
1x
4,90 €
216
Husqvarna 532 19 61-31 - HALTER
1x
10,91 €
217
Husqvarna 532 40 91-67 - STANGE
1x
15,65 €
218
Husqvarna 532 19 63-95 - PLATTE
1x
10,17 €
220
Husqvarna 532 19 89-08 - LINSE
1x
13,38 €
221
Husqvarna 532 19 89-09 - LINSE
1x
15,20 €
221
Husqvarna 532 40 31-87 - FEDER
1x
2,62 €
225
Husqvarna 532 40 33-19 - RIEMENFÜHRUNG
1x
10,69 €
228
Husqvarna 532 19 51-61 - BOLZEN
1x
7,88 €
230
Husqvarna 532 18 89-67 - SCHEIBE
1x
3,95 €
231
Husqvarna 532 40 72-87 - RIEMENSCHEIBE
1x
31,13 €
232
Husqvarna 874 78 07-16 - BOLZEN
1x
4,52 €
233
Husqvarna 532 40 52-96 - SCHEIBE
1x
2,78 €
235
Husqvarna 532 40 61-29 - ABSTANDSSCHEIBE
1x
8,23 €
236
Husqvarna 873 93 05-00 - MUTTER
1x
4,90 €
238
Husqvarna 532 40 86-06 - PLATTE
1x
21,19 €
241
Husqvarna 532 15 29-27 - SCHRAUBE
1x
1,94 €
242
Husqvarna 532 41 55-98 - SCHLAUCHANSCHLUSS
1x
4,59 €
298
Husqvarna 532 11 04-52 - MUTTER
1x
4,90 €

Produktbewertungen unserer Kunden
Unsere Bewertungen sind zu 100% echt.
Bewertungen von Kunden, die ihre Ware nicht bei uns gekauft haben, werden entsprechend gekennzeichnet.
Bewertungen mit diesem Symbol stammen von verifizierten Käufern!
Zu diesem Produkt gibt es noch keine Kundenbewertungen.
Sie können die erste Person sein, die zu diesem Produkt eine Bewertung schreibt.