gartengeraete_onlineshop_de Logo
Unsere Seite verwendet Cookies und ähnliche Technologien, um die Benutzererfahrung auf unserer Website zu verbessern, Inhalte und Anzeigen zu personalisieren und die Nutzung unserer Website zu analysieren. Mit Ihrer Einwilligung stimmen Sie der Verwendung von Cookies sowie der Verarbeitung Ihrer persönlichen Daten zu, um Ihnen ein bestmögliches Surferlebnis und mehr Funktionen zu bieten.

Sie können Ihre Einwilligung jederzeit in den Cookie-Einstellungen anpassen oder widerrufen.
Experten-Beratung Lassen Sie sich von unseren Experten beraten und schließen Sie Ihre Bestellung telefonisch ab.
Artikelnummer: 4331575
Hier können Sie unsere qualifizierten Fachberater zur Planung Ihrer Bestellung kontaktieren.
Zum Kontaktformular
Hier erhalten Sie allgemeine Informationen zum Bestellprozess, der Lieferung, der Zahlung und mehr.
Zum FAQ
Hier können Sie Feedback zu dieser Seite abgeben oder unerwartete Inhalte und Auffälligkeiten melden.

Husqvarna Gartentraktoren 96043029500 TS 354X

Husqvarna Gartentraktoren 96043029500 TS 354X

Nicht lieferbar
Dieser Artikel ist leider nicht mehr zu bestellen. Wir empfehlen Ihnen eine alternative Artikelwahl aus dieser Kategorie. Wir wünschen Ihnen viel Spaß beim Stöbern.
Andere Produkte der Kategorie Ersatzteile
Artikel-Nr.: 4331575
  • Deutschlands bester Händler
  • Trusted Shops Käuferschutz
  • Rechnungskauf
  • Montageservice

Husqvarna Logo

Husqvarna

Der schwedische Hersteller Husqvarna bietet Ihnen Motorgeräte für die Forst-, Garten- sowie Landschaftspflege. Bereits 1689 begann die Unternehmensgeschichte, damals noch mit der Herstellung von Musketen. Somit profitiert das Unternehmen von mehr als 325 Jahre langer Erfahrung – und somit auch seine Kunden.

Die Zufriedenheit der Kunden ist dem international bekannten Unternehmen besonders wichtig. Daher arbeitet Husqvarna eng mit dem Anwender zusammen, auch nach dem Kauf steht das Unternehmen seinen Käufern mit Rat und Tat zur Seite. Sie können sich bei den Husqvarna Produkten daher auf eine kompromisslose Qualität, Benutzerfreundlichkeit sowie Spitzenleistung verlassen.
 

Garantie

Als unser Kunde genießen Sie auch nach dem Kauf Ihres Husqvarna-Produkts zahlreiche Vorteile! Im Garantiefall sind wir Ihr erster Ansprechpartner und werden Ihnen gerne weiterhelfen. Wir verfügen über eine eigene Hersteller-Werkstatt, sind qualifiziert und berechtigt, im Garantiefall alle nötigen Reparaturen an Ihrem Husqvarna-Gerät durchzuführen.

Das bedeutet für Sie: Sie können sich jederzeit an uns wenden, als Ihr Händler bei dem Sie die Ware gekauft haben sind wir stets die erste Adresse. Selbstverständlich steht es Ihnen jedoch frei, sich an jeden anderen autorisierten Husqvarna-Händler zu wenden.

Gegen Vorlegen Ihres Kaufbeleges (inklusive ausgefüllter Garantiekarte) aus unserem Shop können Sie wohnortnah - in ganz Europa, in der Schweiz und in Großbritannien - Ihr registriertes Produkt zur Garantieüberprüfung vorlegen. Der lokale Husqvarna Servicehändler wird im Garantiefall defekte Teile ausschließlich durch original Husqvarna-Ersatzteile und Zubehör ersetzen. 

 

Husqvarna Händler mit Onlineshop 

Ausschließlich autorisierte, qualifizierte Händler dürfen Husqvarna Produkte verkaufen. So erhalten Sie als Kunde fachgerechte Auskunft zu Ihren Fragen. Wir sind ein autorisierter Husqvarna Fachhändler mit eigener Werkstatt. Vor jeder Auslieferung werden die Geräte entsprechend der Herstellervorgaben geprüft.

 

Stationärer Handel:
Kömpf Baumarkt GmbH
Leibnizstr. 2
75365 Calw

 

Husqvarna Geräte

Husqvarna AB
Regeringsgatan 28
11153 Stockholm
Schweden
verkauf@husqvarna.de
Verantwortliche Person:
Husqvarna Deutschland GmbH
Hans-Lorenser-Strasse 40
89079 Ulm
Deutschland
verkauf@husqvarna.de

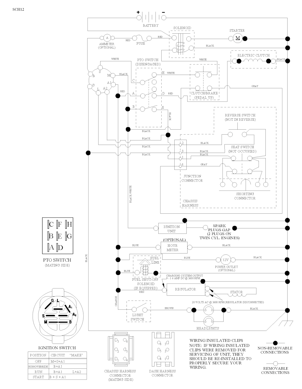
187 von insgesamt 187 eingezeichneten Ersatzteilen in Explosionszeichnung Nr. 1

--
Husqvarna 581 72 48-01 - Folie
1x
4,90 €
--
Husqvarna 532 43 98-82 - Kissen links
1x
4,97 €
1
Husqvarna 532 05 91-92 - Hut
1x
4,90 €
1
Husqvarna 532 43 97-40 - LENKRAD
1x
88,81 €
2
Husqvarna 589 35 79-01 - Folie
1x
2,64 €
2
Husqvarna 532 06 51-39 - Nippel
1x
4,91 €
2
Husqvarna 874 76 04-12 - SCHRAUBE
1x
1,70 €
2
Husqvarna 589 81 87-01 - SCHALLDÄMPFER
1x
115,58 €
2
Husqvarna 532 42 20-27 - WELLE
1x
111,40 €
3
Husqvarna 532 44 44-81 - LOGO
1x
10,98 €
3
Husqvarna 532 19 52-30 - HEBEL
1x
30,00 €
6
Husqvarna 532 00 02-78 - NIPPEL
1x
4,96 €
6
Husqvarna 532 00 62-66 - SCHEIBE
1x
1,93 €
7
Husqvarna 532 00 90-40 - Lager
1x
19,10 €
7
Husqvarna 532 12 17-48 - SCHEIBE
1x
4,00 €
8
Husqvarna 586 97 88-01 - Folie
1x
2,75 €
8
Husqvarna 587 20 51-01 - ABLAGE
1x
21,96 €
8
Husqvarna 812 00 00-29 - FEDERRING
1x
0,61 €
8
Husqvarna 532 17 18-77 - Bolzen
1x
3,34 €
8
Husqvarna 532 19 30-03 - SCHRAUBE
1x
12,01 €
9
Husqvarna 501 83 26-02 - Befestigung
1x
15,85 €
9
Husqvarna 532 12 12-32 - KAPSEL
1x
3,89 €
10
Husqvarna 532 19 63-14 - FEDER
1x
3,95 €
11
Husqvarna 582 76 05-08 - Messer
1x
45,27 €
13
Husqvarna 532 12 17-49 - SCHEIBE
1x
2,57 €
14
Husqvarna 539 99 01-18 - SCHEIBE
1x
1,92 €
14
Husqvarna 539 13 18-98 - SPINDEL
1x
103,72 €
16
Husqvarna 581 62 73-01 - Logo Motorhaube
1x
7,59 €
16
Husqvarna 532 17 61-38 - SCHALTER
1x
15,52 €
18
Husqvarna 587 52 34-01 - GRILLE
1x
71,44 €
18
Husqvarna 585 12 48-01 - TANKDECKEL
1x
24,50 €
19
Husqvarna 532 19 47-29 - PLATTE
1x
56,00 €
21
Husqvarna 585 43 64-01 - TRAGEGURT
1x
23,62 €
21
Husqvarna 532 41 63-58 - SCHRAUBE
1x
4,90 €
22
Husqvarna 817 49 06-28 - SCHRAUBE
1x
5,19 €
23
Husqvarna 588 43 83-01 - SCHRAUBE
1x
5,57 €
24
Husqvarna 585 55 56-01 - KABEL
1x
9,69 €
24
Husqvarna 532 10 53-04 - RADKAPPE
1x
2,77 €
25
Husqvarna 585 55 55-01 - KABEL
1x
10,20 €
25
Husqvarna 587 35 47-01 - FEDER
1x
6,53 €
26
Husqvarna 532 17 51-58 - Sicherung
1x
3,83 €
26
Husqvarna 532 19 96-79 - FEDER
1x
4,90 €
26
Husqvarna 532 43 97-43 - Kappe
1x
11,65 €
26
Husqvarna 532 11 04-52 - MUTTER
1x
4,90 €
27
Husqvarna 819 21 16-16 - SCHEIBE
1x
1,93 €
28
Husqvarna 532 41 65-88 - KABEL
1x
12,28 €
28
Husqvarna 817 00 06-12 - SCHRAUBE
1x
3,89 €
29
Husqvarna 532 13 71-80 - FUNKEN FÄNGER
1x
37,94 €
29
Husqvarna 595 29 70-01 - WELLE
1x
7,40 €
30
Husqvarna 532 19 33-50 - Zündschloss
1x
27,47 €
31
Husqvarna 532 18 76-90 - SCHEIBE
1x
2,77 €
33
Husqvarna Zündschlüssel Gartentraktor
1x
9,67 €
33
Husqvarna 812 00 00-53 - FEDERRING
1x
4,90 €
33
Husqvarna 596 13 48-01 - MUTTER
1x
4,90 €
34
Husqvarna 532 11 07-12 - SCHALTER
1x
12,90 €
35
Husqvarna 532 19 47-32 - PLATTE
1x
56,01 €
36
Husqvarna 539 99 05-85 - MUTTER
1x
1,80 €
37
Husqvarna 532 44 12-08 - Fender
1x
308,91 €
37
Husqvarna 532 12 34-87 - KLEMME
1x
4,90 €
37
Husqvarna 539 11 28-99 - NUT, 5/16-18, NYLOC
1x
1,80 €
37
Husqvarna 532 17 01-65 - BOLZEN
1x
3,52 €
41
Husqvarna 817 72 04-08 - SCHRAUBE
1x
1,67 €
41
Husqvarna 532 12 61-97 - SCHEIBE
1x
9,75 €
41
Husqvarna 584 95 39-01 - Bolzen
1x
4,43 €
41
Husqvarna 532 17 59-94 - MUTTER
1x
3,55 €
42
Husqvarna 532 00 88-83 - PEDALGUMMI
1x
8,66 €
42
Husqvarna 539 99 02-47 - SCHEIBE
1x
2,09 €
45
Husqvarna 587 55 39-03 - SPURWEITE
1x
46,70 €
45
Husqvarna 587 01 64-01 - SCHEIBE
1x
4,90 €
46
Husqvarna 587 55 40-03 - SPURWEITE
1x
84,69 €
46
Husqvarna 532 13 77-29 - SCHRAUBE
1x
1,94 €
47
Husqvarna 582 23 63-01 - Riemen
1x
65,35 €
49
Husqvarna 872 11 06-14 - SCHRAUBE 3/8-16X1-3/4 GR.5
1x
4,66 €
50
Husqvarna 582 10 76-01 - SCHALTER
1x
24,26 €
50
Husqvarna 532 19 43-27 - RIEMENSCHEIBE
1x
39,87 €
52
Husqvarna 532 19 43-26 - RIEMENSCHEIBE
1x
39,46 €
53
Husqvarna 532 18 89-67 - SCHEIBE
1x
3,95 €
54
Husqvarna 874 76 06-36 - BOLZEN
1x
5,19 €
55
Husqvarna 532 41 47-36 - ABSTANDSSCHEIBE
1x
7,47 €
58
Husqvarna 532 19 47-47 - BOLZEN
1x
9,97 €
59
Husqvarna 532 19 47-48 - SCHEIBE
1x
3,76 €
61
Husqvarna 588 79 44-02 - GELENK
1x
41,33 €
62
Husqvarna 532 43 40-17 - SCHIRM
1x
15,46 €
62
Husqvarna 597 07 03-02 - GELENK
1x
42,74 €
63
Husqvarna 532 19 42-08 - STIFT
1x
1,21 €
64
Husqvarna 532 19 78-65 - WELLE
1x
47,72 €
64
Husqvarna 532 19 98-49 - FEDER
1x
2,67 €
65
Husqvarna 532 19 47-34 - HALTER
1x
65,14 €
66
Husqvarna 871 02 07-48 - SCHRAUBE
1x
6,19 €
68
Husqvarna 539 99 08-58 - Selbstprägende Schraube 5/16-18X1/2
1x
4,90 €
68
Husqvarna 873 90 07-00 - MUTTER
1x
3,38 €
69
Husqvarna 532 19 91-62 - SCHEIBE
1x
6,27 €
70
Husqvarna 585 33 88-01 - Halter
1x
25,56 €
71
Husqvarna 532 19 42-76 - KABELSATZ
1x
24,66 €
74
Husqvarna 532 14 24-32 - SCHRAUBE
1x
4,90 €
76
Husqvarna 580 68 36-01 - Schraube
1x
4,90 €
78
Husqvarna 532 05 70-79 - SCHEIBE
1x
4,90 €
81
Husqvarna 532 14 84-56 - ROHR
1x
9,54 €
82
Husqvarna 532 42 82-87 - STOPFEN
1x
11,50 €
86
Husqvarna 532 18 43-62 - NUT HEX FLANGE TOPLOCK
1x
1,96 €
87
Husqvarna 532 19 42-09 - FEDER
1x
3,46 €
89
Husqvarna 819 19 19-12 - SCHEIBE
1x
3,56 €
90
Husqvarna 532 43 53-95 - POLABDECKUNG
1x
4,43 €
90
Husqvarna 817 00 06-16 - SCHRAUBE
1x
4,26 €
91
Husqvarna 532 18 74-95 - BUSHING
1x
6,68 €
91
Husqvarna 532 40 34-07 - GELENK
1x
19,90 €
92
Husqvarna 817 12 06-16 - SCHRAUBE
1x
3,52 €
97
Husqvarna 817 00 06-12 - SCHRAUBE
1x
3,89 €
97
Husqvarna 532 17 85-15 - SCHEIBE
1x
5,74 €
98
Husqvarna 587 35 84-01 - Feder
1x
9,66 €
99
Husqvarna 817 67 04-12 - SCHRAUBE
1x
3,55 €
100
Husqvarna 819 09 14-16 - SCHEIBE
1x
2,09 €
114
Husqvarna 873 80 05-00 - MUTTER
1x
1,82 €
116
Husqvarna 873 90 05-00 - MUTTER
1x
1,80 €
116
Husqvarna 539 13 26-24 - KNOB - SHIFT
1x
9,65 €
116
Husqvarna 532 19 34-06 - BOLZEN
1x
4,02 €
117
Husqvarna 589 52 73-01 - Laufrad
1x
17,59 €
125
Husqvarna 581 68 48-01 - KLAMMER
1x
4,90 €
130
Husqvarna 532 41 63-58 - SCHRAUBE
1x
4,90 €
137
Husqvarna 532 40 75-90 - GUMMI
1x
4,70 €
146
Husqvarna 581 85 79-01 - BOLZEN
1x
4,90 €
150
Husqvarna 532 43 97-74 - LUFTKANAL
1x
41,03 €
151
Husqvarna 532 43 66-70 - HALTER
1x
49,40 €
152
Husqvarna 532 43 98-70 - SCHIRM
1x
51,93 €
153
Husqvarna 532 00 44-97 - Klammer
1x
1,38 €
159
Husqvarna 817 00 06-12 - SCHRAUBE
1x
3,89 €
161
Husqvarna 532 43 99-29 - BEFESTIGUNG
1x
6,79 €
161
Husqvarna 532 10 57-09 - FEDER
1x
12,74 €
162
Husqvarna 532 14 24-32 - SCHRAUBE
1x
4,90 €
166
Husqvarna 532 42 91-64 - MUTTER
1x
4,90 €
167
Husqvarna 532 40 52-57 - BREMSSTUECK
1x
4,06 €
170
Husqvarna 532 19 43-22 - BEFESTIGUNG
1x
6,25 €
171
Husqvarna 872 11 06-16 - BOLZEN
1x
4,69 €
175
Husqvarna 590 60 77-02 - QUERTRÄGER
1x
46,46 €
176
Husqvarna 532 40 07-76 - SCHRAUBE
1x
4,90 €
177
Husqvarna 532 19 52-28 - BUCHSE
1x
9,62 €
182
Husqvarna 532 40 68-59 - SCHALTBRETT
1x
132,49 €
183
Husqvarna 874 52 05-20 - SCHRAUBE
1x
3,18 €
184
Husqvarna 873 90 05-00 - MUTTER
1x
1,80 €
184
Husqvarna 587 65 37-01 - EINSTELLHEBEL
1x
10,58 €
185
Husqvarna 872 11 06-22 - BOLZEN
1x
5,31 €
186
Husqvarna 532 19 43-21 - ABSTANDSSTÜCK
1x
10,59 €
187
Husqvarna 532 19 51-61 - BOLZEN
1x
7,88 €
188
Husqvarna 582 21 70-01 - Gelenk
1x
8,54 €
189
Husqvarna 532 19 43-17 - PLATTE
1x
10,36 €
190
Husqvarna 532 19 43-18 - RIEMENFÜHRUNG
1x
6,31 €
190
Husqvarna 532 19 65-39 - BOLZEN
1x
4,83 €
191
Husqvarna 586 18 28-01 - Reflektor
1x
4,97 €
192
Husqvarna 532 19 84-68 - RIEMENFÜHRUNG
1x
7,44 €
194
Husqvarna 873 90 05-00 - MUTTER
1x
1,80 €
196
Husqvarna 817 00 06-16 - SCHRAUBE
1x
4,26 €
196
Husqvarna 539 12 81-01 - BOLZEN
1x
4,90 €
197
Husqvarna 585 65 86-01 - KUPPLUNG
1x
8,27 €
199
Husqvarna 532 19 82-59 - PLATTE
1x
21,29 €
202
Husqvarna 532 43 97-28 - DECKEL
1x
22,78 €
203
Husqvarna 532 43 97-27 - DECKEL
1x
23,03 €
204
Husqvarna 532 43 57-14 - DECKEL
1x
34,47 €
205
Husqvarna 532 43 97-30 - SKIRT
1x
21,07 €
206
Husqvarna 532 43 97-29 - SKIRT
1x
25,64 €
206
Husqvarna 532 44 85-96 - HALTER
1x
7,25 €
207
Husqvarna 585 42 00-02 - Blende rechts
1x
16,81 €
207
Husqvarna 587 03 14-01 - SPERRHAKEN
1x
8,21 €
208
Husqvarna 585 42 01-02 - Blende links
1x
16,81 €
208
Husqvarna 532 19 78-69 - STÜTZE
1x
7,50 €
210
Husqvarna 532 19 78-60 - ARM
1x
46,93 €
211
Husqvarna 532 12 01-83 - LAGER
1x
5,81 €
213
Husqvarna 532 40 31-19 - BEDIENELEMENT
1x
9,77 €
214
Husqvarna 532 19 91-45 - Klammer
1x
4,90 €
214
Husqvarna 532 42 12-63 - KISSEN
1x
9,94 €
215
Husqvarna 586 60 65-02 - PEDALGUMMI
1x
31,07 €
217
Husqvarna 532 40 91-67 - STANGE
1x
15,65 €
220
Husqvarna 532 19 89-08 - LINSE
1x
13,38 €
221
Husqvarna 532 19 89-09 - LINSE
1x
15,20 €
221
Husqvarna 532 40 31-87 - FEDER
1x
2,62 €
222
Husqvarna 879 21 20-10 - SCHEIBE
1x
3,83 €
228
Husqvarna 532 19 51-61 - BOLZEN
1x
7,88 €
235
Husqvarna 532 40 61-29 - ABSTANDSSCHEIBE
1x
8,23 €
236
Husqvarna 873 93 05-00 - MUTTER
1x
4,90 €
242
Husqvarna 532 41 55-98 - SCHLAUCHANSCHLUSS
1x
4,59 €
281
Husqvarna 817 00 06-16 - SCHRAUBE
1x
4,26 €
296
Husqvarna 585 42 05-01 - LIGHT
1x
42,03 €
297
Husqvarna 586 18 29-01 - Reflektor
1x
5,51 €
299
Husqvarna 585 42 04-01 - LIGHT
1x
42,03 €
335
Husqvarna 532 44 82-04 - DECKEL
1x
31,30 €
336
Husqvarna 532 44 53-09 - DECKEL
1x
31,40 €
375
Husqvarna 586 90 82-01 - Stossfänger
1x
4,70 €
378
Husqvarna 590 84 98-01 - BUSHING
1x
4,69 €

Produktbewertungen unserer Kunden
Unsere Bewertungen sind zu 100% echt.
Bewertungen von Kunden, die ihre Ware nicht bei uns gekauft haben, werden entsprechend gekennzeichnet.
Bewertungen mit diesem Symbol stammen von verifizierten Käufern!
Zu diesem Produkt gibt es noch keine Kundenbewertungen.
Sie können die erste Person sein, die zu diesem Produkt eine Bewertung schreibt.