gartengeraete_onlineshop_de Logo
Unsere Seite verwendet Cookies und ähnliche Technologien, um die Benutzererfahrung auf unserer Website zu verbessern, Inhalte und Anzeigen zu personalisieren und die Nutzung unserer Website zu analysieren. Mit Ihrer Einwilligung stimmen Sie der Verwendung von Cookies sowie der Verarbeitung Ihrer persönlichen Daten zu, um Ihnen ein bestmögliches Surferlebnis und mehr Funktionen zu bieten.

Sie können Ihre Einwilligung jederzeit in den Cookie-Einstellungen anpassen oder widerrufen.
Experten-Beratung Lassen Sie sich von unseren Experten über das Kontaktformular beraten.
Artikelnummer: 4330684
Hier können Sie unsere qualifizierten Fachberater zur Planung Ihrer Bestellung kontaktieren.
Zum Kontaktformular
Hier erhalten Sie allgemeine Informationen zum Bestellprozess, der Lieferung, der Zahlung und mehr.
Zum FAQ
Hier können Sie Feedback zu dieser Seite abgeben oder unerwartete Inhalte und Auffälligkeiten melden.

Husqvarna Gartentraktoren 96041003000 LTH152

Husqvarna Gartentraktoren 96041003000 LTH152

Nicht lieferbar
Dieser Artikel ist leider nicht mehr zu bestellen. Wir empfehlen Ihnen eine alternative Artikelwahl aus dieser Kategorie. Wir wünschen Ihnen viel Spaß beim Stöbern.
Andere Produkte der Kategorie Ersatzteile
Artikel-Nr.: 4330684
  • Deutschlands bester Händler
  • Trusted Shops Käuferschutz
  • Rechnungskauf
  • Montageservice

Husqvarna Logo

Husqvarna

Der schwedische Hersteller Husqvarna bietet Ihnen Motorgeräte für die Forst-, Garten- sowie Landschaftspflege. Bereits 1689 begann die Unternehmensgeschichte, damals noch mit der Herstellung von Musketen. Somit profitiert das Unternehmen von mehr als 325 Jahre langer Erfahrung – und somit auch seine Kunden.

Die Zufriedenheit der Kunden ist dem international bekannten Unternehmen besonders wichtig. Daher arbeitet Husqvarna eng mit dem Anwender zusammen, auch nach dem Kauf steht das Unternehmen seinen Käufern mit Rat und Tat zur Seite. Sie können sich bei den Husqvarna Produkten daher auf eine kompromisslose Qualität, Benutzerfreundlichkeit sowie Spitzenleistung verlassen.
 

Garantie

Als unser Kunde genießen Sie auch nach dem Kauf Ihres Husqvarna-Produkts zahlreiche Vorteile! Im Garantiefall sind wir Ihr erster Ansprechpartner und werden Ihnen gerne weiterhelfen. Wir verfügen über eine eigene Hersteller-Werkstatt, sind qualifiziert und berechtigt, im Garantiefall alle nötigen Reparaturen an Ihrem Husqvarna-Gerät durchzuführen.

Das bedeutet für Sie: Sie können sich jederzeit an uns wenden, als Ihr Händler bei dem Sie die Ware gekauft haben sind wir stets die erste Adresse. Selbstverständlich steht es Ihnen jedoch frei, sich an jeden anderen autorisierten Husqvarna-Händler zu wenden.

Gegen Vorlegen Ihres Kaufbeleges (inklusive ausgefüllter Garantiekarte) aus unserem Shop können Sie wohnortnah - in ganz Europa, in der Schweiz und in Großbritannien - Ihr registriertes Produkt zur Garantieüberprüfung vorlegen. Der lokale Husqvarna Servicehändler wird im Garantiefall defekte Teile ausschließlich durch original Husqvarna-Ersatzteile und Zubehör ersetzen. 

 

Husqvarna Händler mit Onlineshop 

Ausschließlich autorisierte, qualifizierte Händler dürfen Husqvarna Produkte verkaufen. So erhalten Sie als Kunde fachgerechte Auskunft zu Ihren Fragen. Wir sind ein autorisierter Husqvarna Fachhändler mit eigener Werkstatt. Vor jeder Auslieferung werden die Geräte entsprechend der Herstellervorgaben geprüft.

 

Stationärer Handel:
Kömpf Baumarkt GmbH
Leibnizstr. 2
75365 Calw

 

Husqvarna Geräte

Husqvarna AB
Regeringsgatan 28
11153 Stockholm
Schweden
verkauf@husqvarna.de
Verantwortliche Person:
Husqvarna Deutschland GmbH
Hans-Lorenser-Strasse 40
89079 Ulm
Deutschland
verkauf@husqvarna.de

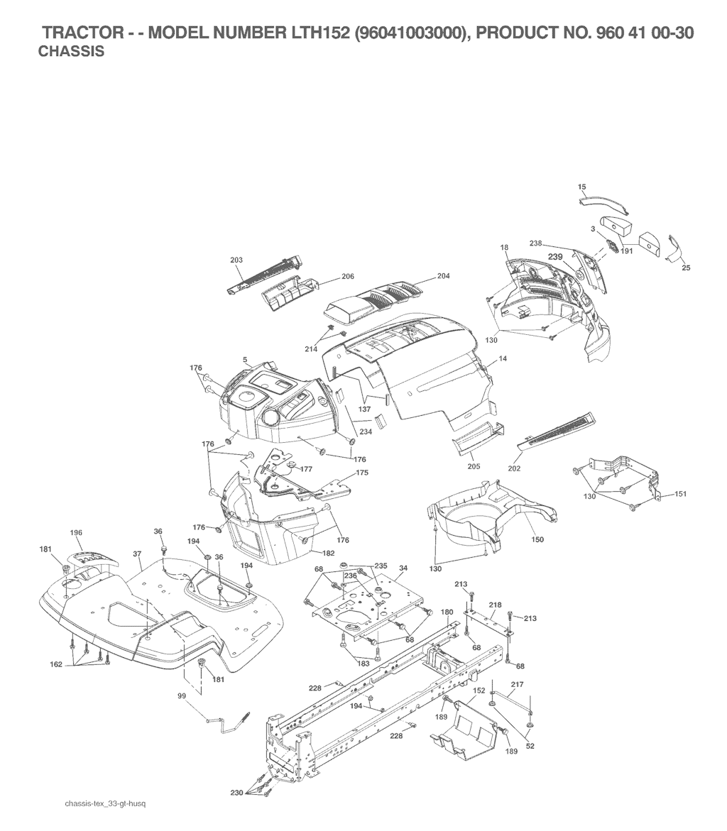
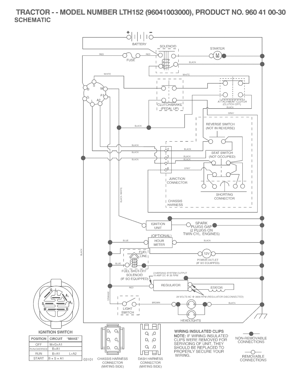
155 von insgesamt 155 eingezeichneten Ersatzteilen in Explosionszeichnung Nr. 1

-
Husqvarna 532 41 11-15 - STOPFEN
1x
4,99 €
1
Husqvarna 532 05 91-92 - Hut
1x
4,90 €
2
Husqvarna 532 06 51-39 - Nippel
1x
4,91 €
2
Husqvarna 874 76 04-12 - SCHRAUBE
1x
1,70 €
2
Husqvarna 532 12 35-83 - KEIL
1x
6,25 €
2
Husqvarna 532 18 86-55 - SCHALLDÄMPFER
1x
147,94 €
2
Husqvarna 532 18 01-66 - BEFESTIGUNG
1x
18,87 €
3
Husqvarna 532 19 52-31 - HEBELARM
1x
24,93 €
3
Husqvarna 532 14 06-75 - STREIFEN
1x
6,41 €
4
Husqvarna 532 05 99-04 - SCHLAUCH
1x
15,05 €
6
Husqvarna 529 84 64-01- ARM
1x
26,60 €
7
Husqvarna 532 12 17-48 - SCHEIBE
1x
4,00 €
7
Husqvarna 532 41 15-55 - GRIFF
1x
9,25 €
8
Husqvarna 532 40 87-73 - AUFKLEBER
1x
4,46 €
8
Husqvarna 532 19 32-28 - KISTE
1x
39,82 €
8
Husqvarna 532 17 18-77 - Bolzen
1x
3,34 €
8
Husqvarna 532 19 30-03 - SCHRAUBE
1x
12,01 €
8
Husqvarna 812 00 00-29 - FEDERRING
1x
0,61 €
9
Husqvarna 532 12 12-32 - KAPSEL
1x
3,89 €
10
Husqvarna 532 19 63-14 - FEDER
1x
3,95 €
11
Husqvarna Messer für Gartentraktoren B
1x
25,53 €
13
Husqvarna 532 12 17-49 - SCHEIBE
1x
2,57 €
14
Husqvarna 532 18 72-81 - LAGERGEHÄUSE
1x
144,48 €
15
Husqvarna 532 11 04-85 - LAGER
1x
7,65 €
16
Husqvarna 532 17 61-38 - SCHALTER
1x
15,52 €
19
Husqvarna 532 19 65-39 - BOLZEN
1x
4,83 €
19
Husqvarna 532 19 47-29 - PLATTE
1x
56,00 €
20
Husqvarna 532 15 97-70 - SCHIENE
1x
19,17 €
20
Husqvarna 532 41 11-39 - SCHUTZ F.LENKUNG
1x
14,52 €
21
Husqvarna 532 40 02-52 - KABELBAUM
1x
20,93 €
22
Husqvarna 532 00 41-52 - LAMPE
1x
3,96 €
22
Husqvarna 532 19 76-60 - STANGE
1x
46,24 €
23
Husqvarna 532 12 12-74 - KNOPF
1x
7,68 €
23
Husqvarna 532 19 25-57 - SCHARNIER
1x
9,37 €
24
Husqvarna 532 10 53-04 - RADKAPPE
1x
2,77 €
25
Husqvarna 532 19 70-26 - TORSIONSFEDER
1x
8,60 €
26
Husqvarna 532 17 51-58 - Sicherung
1x
3,83 €
26
Husqvarna 532 11 04-52 - MUTTER
1x
4,90 €
27
Husqvarna 532 40 30-04 - SCHIRM
1x
46,24 €
28
Husqvarna 532 13 70-40 - SCHLAUCH
1x
20,71 €
28
Husqvarna 817 00 06-12 - SCHRAUBE
1x
3,89 €
29
Husqvarna 532 13 71-80 - FUNKEN FÄNGER
1x
37,94 €
29
Husqvarna 595 29 70-01 - WELLE
1x
7,40 €
30
Husqvarna 532 19 33-50 - Zündschloss
1x
27,47 €
31
Husqvarna 532 18 76-90 - SCHEIBE
1x
2,77 €
33
Husqvarna 812 00 00-01 - FEDERRING
1x
4,90 €
33
Husqvarna 596 13 48-01 - MUTTER
1x
4,90 €
34
Husqvarna 532 11 07-12 - SCHALTER
1x
12,90 €
34
Husqvarna 872 11 06-12 - BOLZEN
1x
2,90 €
35
Husqvarna 532 40 10-31 - STANGE
1x
9,79 €
35
Husqvarna 532 19 47-32 - PLATTE
1x
56,01 €
37
Husqvarna 532 12 17-49 - SCHEIBE
1x
2,57 €
37
Husqvarna 873 80 05-00 - MUTTER
1x
1,82 €
37
Husqvarna 532 12 34-87 - KLEMME
1x
4,90 €
40
Husqvarna 532 19 76-61 - GRIFF
1x
10,89 €
41
Husqvarna 817 72 04-08 - SCHRAUBE
1x
1,67 €
41
Husqvarna 532 19 82-00 - FEDER
1x
2,36 €
42
Husqvarna 532 19 84-10 - FEDER
1x
3,40 €
43
Husqvarna 532 19 72-56 - FEDER
1x
3,40 €
45
Husqvarna 819 11 38-12 - SCHEIBE
1x
11,50 €
46
Husqvarna 532 13 77-29 - SCHRAUBE
1x
1,94 €
47
Husqvarna 532 19 72-50 - HALTER
1x
7,08 €
49
Husqvarna 872 11 06-14 - SCHRAUBE 3/8-16X1-3/4 GR.5
1x
4,66 €
50
Husqvarna 532 19 43-27 - RIEMENSCHEIBE
1x
39,87 €
52
Husqvarna 532 19 43-26 - RIEMENSCHEIBE
1x
39,46 €
53
Husqvarna 532 18 89-67 - SCHEIBE
1x
3,95 €
55
Husqvarna 532 19 72-49 - ARM
1x
13,26 €
56
Husqvarna 532 19 90-92 - ABSTANDSSCHEIBE
1x
5,39 €
57
Husqvarna 817 00 06-16 - SCHRAUBE
1x
4,26 €
57
Husqvarna 532 40 74-65 - HALTER
1x
10,14 €
58
Husqvarna 532 19 47-47 - BOLZEN
1x
9,97 €
59
Husqvarna 532 14 10-43 - SCHUTZ
1x
6,13 €
59
Husqvarna 532 19 47-48 - SCHEIBE
1x
3,76 €
61
Husqvarna 532 19 47-40 - GELENK
1x
58,69 €
62
Husqvarna 872 11 06-16 - BOLZEN
1x
4,69 €
62
Husqvarna 532 19 47-41 - GELENK
1x
58,67 €
64
Husqvarna 532 19 62-00 - WELLE
1x
88,90 €
64
Husqvarna 532 19 97-90 - GELENK
1x
8,04 €
64
Husqvarna 532 19 98-49 - FEDER
1x
2,67 €
66
Husqvarna 871 02 07-48 - SCHRAUBE
1x
6,19 €
67
Husqvarna 532 40 30-12 - HANDGRIFF
1x
10,69 €
68
Husqvarna 817 49 05-08 - SCHRAUBE
1x
2,90 €
68
Husqvarna 873 90 07-00 - MUTTER
1x
3,38 €
69
Husqvarna 872 14 05-05 - BOLZEN
1x
2,90 €
70
Husqvarna 532 40 12-46 - KUPPLUNG
1x
56,04 €
73
Husqvarna 532 19 91-62 - SCHEIBE
1x
6,27 €
74
Husqvarna 532 14 24-32 - SCHRAUBE
1x
4,90 €
79
Husqvarna 532 17 52-42 - HALTER
1x
4,57 €
81
Husqvarna 532 14 84-56 - ROHR
1x
9,54 €
83
Husqvarna 532 17 18-77 - Bolzen
1x
3,34 €
87
Husqvarna 532 19 42-09 - FEDER
1x
3,46 €
87
Husqvarna 532 19 78-02 - SCHALTER
1x
13,74 €
89
Husqvarna 819 19 19-12 - SCHEIBE
1x
3,56 €
90
Husqvarna 817 00 06-16 - SCHRAUBE
1x
4,26 €
90
Husqvarna 532 19 42-08 - STIFT
1x
1,21 €
91
Husqvarna 589 46 48-07 - GESTAENGE HINTEN
1x
19,90 €
92
Husqvarna 532 19 66-15 - KABELSATZ
1x
9,07 €
92
Husqvarna 817 12 06-16 - SCHRAUBE
1x
3,52 €
93
Husqvarna 532 19 25-40 - SCHRAUBE
1x
2,62 €
94
Husqvarna 532 19 18-34 - MODUL
1x
17,70 €
96
Husqvarna 819 09 14-16 - SCHEIBE
1x
2,09 €
97
Husqvarna 817 67 04-12 - SCHRAUBE
1x
3,55 €
113
Husqvarna 817 00 05-10 - BOLZEN
1x
2,44 €
114
Husqvarna 873 80 05-00 - MUTTER
1x
1,82 €
116
Husqvarna 873 90 05-00 - MUTTER
1x
1,80 €
123
Husqvarna 531 16 97-01 - RIEMENFÜHRUNG
1x
12,01 €
137
Husqvarna 532 40 75-90 - GUMMI
1x
4,70 €
143
Husqvarna 817 49 05-08 - SCHRAUBE
1x
2,90 €
144
Husqvarna 532 19 92-04 - RIEMENFÜHRUNG
1x
5,72 €
145
Husqvarna 532 19 31-97 - RIEMENSCHEIBE
1x
54,49 €
147
Husqvarna 532 40 19-71 - FEDER
1x
3,75 €
150
Husqvarna 532 40 75-37 - LUFTLEITBLECH
1x
52,28 €
151
Husqvarna 532 40 78-07 - HALTER
1x
36,30 €
152
Husqvarna 532 19 95-35 - ABDECKUNG
1x
33,96 €
162
Husqvarna 532 14 24-32 - SCHRAUBE
1x
4,90 €
165
Husqvarna 532 19 62-12 - BUCHSE
1x
7,87 €
167
Husqvarna 532 40 52-57 - BREMSSTUECK
1x
4,06 €
170
Husqvarna 532 19 43-22 - BEFESTIGUNG
1x
6,25 €
171
Husqvarna 872 11 06-22 - BOLZEN
1x
5,31 €
174
Husqvarna 532 19 72-89 - MUTTER
1x
4,90 €
175
Husqvarna 532 19 94-72 - PLATTE
1x
43,83 €
176
Husqvarna 532 40 07-76 - SCHRAUBE
1x
4,90 €
176
Husqvarna 532 19 62-14 - ARM
1x
9,34 €
177
Husqvarna 532 19 52-28 - BUCHSE
1x
9,62 €
178
Husqvarna 532 19 74-56 - FEDER
1x
4,09 €
183
Husqvarna 532 13 70-57 - HUELSE
1x
7,27 €
184
Husqvarna 532 41 14-84 - GRIFF
1x
7,07 €
186
Husqvarna 532 19 43-21 - ABSTANDSSTÜCK
1x
10,59 €
188
Husqvarna 532 19 51-61 - BOLZEN
1x
7,88 €
189
Husqvarna 873 90 05-00 - MUTTER
1x
1,80 €
189
Husqvarna 532 19 43-17 - PLATTE
1x
10,36 €
190
Husqvarna 532 19 43-18 - RIEMENFÜHRUNG
1x
6,31 €
191
Husqvarna 532 40 66-65 - EINSATZ LINKS
1x
7,13 €
192
Husqvarna 532 19 72-60 - HALTER
1x
13,77 €
194
Husqvarna 873 90 05-00 - MUTTER
1x
1,80 €
195
Husqvarna 817 00 06-12 - SCHRAUBE
1x
3,89 €
200
Husqvarna 873 93 05-00 - MUTTER
1x
4,90 €
203
Husqvarna 532 41 10-75 - LUFTLEITER
1x
14,28 €
205
Husqvarna 532 41 10-76 - VERKLEIDUNG
1x
26,16 €
205
Husqvarna 532 12 17-48 - SCHEIBE
1x
4,00 €
214
Husqvarna 532 19 91-45 - Klammer
1x
4,90 €
216
Husqvarna 532 19 61-31 - HALTER
1x
10,91 €
218
Husqvarna 532 19 63-95 - PLATTE
1x
10,17 €
221
Husqvarna 532 40 31-87 - FEDER
1x
2,62 €
228
Husqvarna 532 19 51-61 - BOLZEN
1x
7,88 €
230
Husqvarna 532 17 01-65 - BOLZEN
1x
3,52 €
231
Husqvarna 532 40 72-87 - RIEMENSCHEIBE
1x
31,13 €
235
Husqvarna 532 40 61-29 - ABSTANDSSCHEIBE
1x
8,23 €
236
Husqvarna 873 93 05-00 - MUTTER
1x
4,90 €
239
Husqvarna 532 40 48-83 - KLAMMER
1x
4,90 €
276
Husqvarna 874 78 07-16 - BOLZEN
1x
4,52 €
277
Husqvarna 532 40 52-96 - SCHEIBE
1x
2,78 €
531 02 95-01
Husqvarna 531 02 95-01 - Luftfilter
1x
32,90 €
531 02 95-02
Husqvarna 531 02 95-02 - FILTER
1x
13,76 €
531 02 95-03
Husqvarna 531 02 95-03 - OELFILTER
1x
28,70 €

Produktbewertungen unserer Kunden
Unsere Bewertungen sind zu 100% echt.
Bewertungen von Kunden, die ihre Ware nicht bei uns gekauft haben, werden entsprechend gekennzeichnet.
Bewertungen mit diesem Symbol stammen von verifizierten Käufern!
Zu diesem Produkt gibt es noch keine Kundenbewertungen.
Sie können die erste Person sein, die zu diesem Produkt eine Bewertung schreibt.